0898-08980898
浏览次数: 时间:2026-01-31 17:38:01
精密数据采集子系统通常由高性能的分立式线性信号链模块组成,用于测量和保护、调节和获取,或者合成和驱动。硬件设计人员在开发这些数据采集信号链时,一般需要高输入阻抗,以直接连接多种传感器。在这种情况下,通常需要利用可编程增益使电路适应不同的输入信号幅度,需要至少一个信号调理或驱动级放大器。随着人们越来越注重通过系统软件和应用来提供与众不同的系统解决方案,整个行业不断迅速发展变化。但是,受紧张的研发预算和上市时间限制,用于构建模拟电路并制作原型来验证其功能的时间也越来越少。这样就增加了硬件开发资源的压力,需要进一步减少设计迭代。本文将介绍在设计分立式宽带全差分
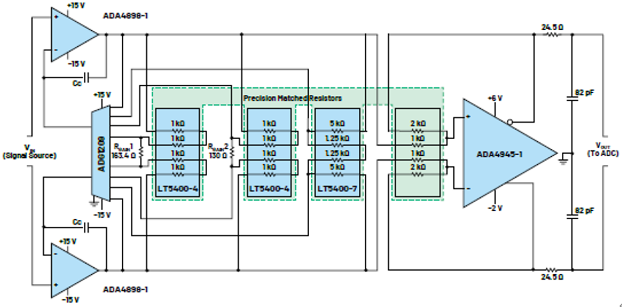
图1显示分立式宽带全差分PGIA简化电路的框图。有关此PGIA电路的关键规格和设计要求,请参见表1。
这款宽带PGIA电路选择使用上述分立式组件来满足表1中突出显示的PGIA规格,用于在驱动全差分高速信号链μModule数据采集解决方案(例如ADAQ23875和ADAQ23878)和以及ADC(例如LTC2387-16/LTC2387-18)时实现优化的交流和直流性能。
这款宽带分立式PGIA解决方案能否驱动基于高速SAR架构的信号链μModule解决方案和实现优化性能,取决于放大器和FDA的关键规格(例如带宽、摆率、噪声和失线是因为其增益带宽积(GBW)支持该信号链的总体带宽要求。只有驱动ADC(例如LTC2387-16/LTC2387-18)时,才需要使用ADA4945-1(FDA)。设置PGIA增益的标准取决于所选的放大器、反馈电阻和多路复用器,下面来详细讨论。
0.2ppm/°C的匹配漂移和0.01%的电阻匹配,工作温度范围很宽,共模抑制比(CMRR)优于独立匹配电阻。FDA周围的增益电阻也需要精准匹配,以实现优化的CMRR性能。
所示。可以使用单位增益配置的放大器来旁路ADG1209多路复用器,所以在本例中,总PGIA设置为2。
ADA4898-1放大器的反相输入端之间添加一个外部精密匹配的增益电阻(RGAIN),并使用LT5400-4作为反馈电阻来实现目标增益64和128,如图2所示。
PGIA电路的多个增益。为这个宽带分立式PGIA设计选择多路复用器时,应考虑多路复用器的多个重要参数,例如导通电阻(RON)、导通电容(CON)和关断电容(COFF)。在这个宽带PGIA设计中,建议使用ADG1209多路复用器。在放大器的反馈路径中添加补偿电容(Cc),会尽可能减小增益频响的高频尖峰(提高放大器的稳定性),并降低多路复用器导通/关断电容的影响。Cc与RON、反馈电阻和增益电阻会构成一个极点,该极点将会补偿反馈环路增益中寄生电容产生的零点的影响。应优化Cc值,以实现所需的闭环响应。当ADA4898-1电路中使用更高的反馈电阻值时,因为其高输入电容(ADA4898-1的输入共模电容为2.5pF,差模电容为3.2pF),在闭环增益的频响中会出现更高的尖峰。为了避免这个问题,在ADA4898-1中一个更高的反馈电阻需要并联一个反馈电容。如图2所示,此处选择了ADA4898-1数据手册中推荐的优化Cc值2.7pF。使用更小的Cc时,使增益频响的尖峰更高,但是如果使用的Cc过大,则会影响闭环增益的增益平坦度。
ADG1209多路复用器构成的PGIA前端需要使用±15V电源来驱动,而ADA4945-1 FDA需要使用6V和2V电源轨来实现优化信号链性能。虽然此板需要使用台式电源,但是针对该PGIA电路,ADI更推荐LTpowerPlanner®电源轨的树形结构设计,它同样展示了每个电源轨的负载电流,可参考图4。
PGIA增益从2增大到128,其带宽会降低,而其折合到输出端(RTO)的噪声会增大;因此,信噪比(SNR)会降低。
PGIA板(图4)的失真性能,通过对不同的增益设置施加不同的输入电压,将其输出设置为8.192V p-p。图7显示分立式宽带PGIA的总谐波失真(THD)与频率性能之间的关系。
PGIA评估板(图4)在测试台上测得的关键PGIA规格,例如带宽、摆率、漂移和失真。表
ADAQ23875的分立式PGIA的SNR性能与频率的关系图如图9所示。PGIA增益增大时,整个动态范围或SNR会降低,这是由于单个电阻、放大器和μModule解决方案本身的噪声引起的。
噪声并在宽带内检测小幅度信号。换句话说,对快速瞬变和小信号电平进行数字化处理时,15MSPS的采样速率大大放宽了抗混叠滤波器要求并充分提高了带宽。过采样是指以比两倍信号带宽(满足奈奎斯特标准所必需)快得多的速度进行采样。例如,对ADAQ23875进行4倍过采样可额外提供1位分辨率,或增加6dB的动态范围,换言之,由于此过采样而实现的动态范围改进定义为:ΔDR = 10 × log10 (OSR),单位dB。ADAQ23875的典型动态范围在15MSPS时为91dB,对于4.096V基准电压源,其输入对地短路。例如,当ADAQ23875进行256倍过采样时,这对应于29.297kHz的信号带宽和接近111dB的动态范围(对于不同的增益选项),因此可以精确检测出μV级别的小信号。为了适应所执行的测量,可以应用额外的过采样来权衡噪声和带宽。
时,信号链(高达100kHz,从100kHz至1MHz)的THD性能。由于ADA4898-1的带宽和摆率开始下降,THD会随着PGIA增益和输入信号频率增大而逐渐下降。图11还显示了使用PGIA驱动ADAQ23875,以及使用LTC6373和ADA945-1的组合在15MSPS采样率下驱动LTC2387-16时,两个信号链的THD性能比较。图10.使用
(DNL)使用PGIA驱动ADAQ23875时,必须保持信号链的整体直流精度,这一点也很重要。图12和图13
显示PGIA增益为2时,典型的INL和DNL性能。对于所有其他增益设置,INL和DNL一般都保持在±0.5LSB以内。结论本文介绍了使用ADA4898-1放大器、
的设计。该设计在几十毫伏到10V的单端/差分信号输入范围内,同时驱动16位15MSPS采样率的ADAQ23875信号链μModule的解决方案可实现高精度测量。与使用市面上可用的单片式PGIA相比,完整的信号链可提供更好的整体精密性能。这款宽带宽信号链专为特定客户群定制,旨在构建用于自动化测试设备、电源监控和分析仪的测试仪表。# # #关于ADI公司
7.5万种产品。ADI公司总部位于马萨诸塞州威明顿市。关于作者Maithil Pachchigar是ADI公司麻萨诸塞州威明顿市工业和多市场事业部的系统应用工程师。自2010
解决方案工作和客户支持。自2005年以来,Maithil一直在半导体行业工作,并已独立及合作发表多篇技术文章。Maithil获印度S.V.国家技术学院电子工程学学士学位、圣何塞州立大学的电气工程硕士学位,以及硅谷大学MBA学位。John Neeko Garlitos是ADI公司的信号链μModule解决方案产品应用工程师。他从事信号链µModule
开发和参考电路方面的工作。他于2017年开始在ADI菲律宾GT公司工作。他拥有菲律宾科技大学沙鄢分校电子工程理学士学位以及菲律宾迪里曼大学电子工程硕士学位。
